1、内螺纹小径的定义螺纹的小径是相对于螺纹大径D而言用公式来定义的,内螺纹上最靠近轴心处的直径值。

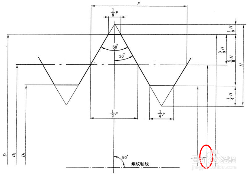
2、内螺纹的计算公式可以根据以下螺纹简图的几何原理计算,其中d1位小径值,P为螺距,H为牙型高度。小径值=公称直径-1.0825X螺距

3、中径根据螺纹基本偏差表计算出小径的范围。小径最大值=公称直径-1.0825X螺距+基本偏差,小径最小值=公称直径-1.0825X螺距+基本偏差+中径公差

4、比如计算M14X2-6G。 可以看出螺距为2,由机械图表可查出6G基本偏差为+0.038。

5、由机械图表可查出6G小径公差为+0.375。

6、小径最大值=14-1.0825X2+0.038。小径最小值=14-1.0825X2+0.038+0.375,小径范围为11.873~12.248

7、如果觉得这篇文章对你有帮助的话,请在这里投个票吧,谢谢!
